TL37B三目生物显微镜

一、仪器用途:
TL37B三目生物显微镜,配备高质量的无穷远平场消色差物镜,大视场目镜和带高亮度白色LED光源。通过它的光度可以保证清晰的图像。优良性能并且价格适中的一款产品。广泛用于临床检查,学校和医疗卫生机构,科研机构和林业和农业部门等。
二、仪器特点:
1、轻便稳固:符合人机工程学要求的理想设计,将轻便与稳固完美结合。易于携带,适用于多种环境。即便是学生也能轻松组装和操作,使操作更方便舒适,空间更广阔。
2、节省空间:巧妙的设计使得桌面空间得以节省。旋转镜筒至后方,使得储存空间达到最小。
3、采用优良的光学系统,可提供卓越的光学性能。
三、仪器参数:
*光学系统:无限远光学系统,齐焦距离:45mm,能更好的消除色差、球差。
*目镜配置:配装高眼点大视场目镜WF10X/22mm;屈光度可调节±5,镜筒Φ30mm,目镜管长度:160mm。
*目镜筒:三目镜筒(分光比50:50),30°倾斜,瞳距46~75mm,眼点高度2级可调。
*物镜:无穷远平场消色差物镜、共4颗:无穷远平场消色差物镜4X,数值口径:0.10,工作距离19.8mm;无穷远平场消色差物镜10X,数值口径:0.25,工作距离5.0mm;无穷远平场消色差物镜40X(s),数值口径0.65,工作距离0.66mm;无穷远平场消色差物镜100X(s.oil),数值口径1.25,工作距离0.36mm;
*转换器:内向式4孔转换器(固定)。
*载物台:双层机械活动平台尺寸220X148mm,移动范围 75X55mm。
*调焦机构:粗微调同轴,在载物台操作手轮的两侧设有微调焦机构,用于精确调焦;两侧有粗微调焦旋钮,调焦范围:30mm,微调格值最小格值:0.002mm.
*聚光镜:NA=1.25阿贝聚光镜,带可变光栏,柯勒照明。
*照明:高亮度白色3W LED光源。
*功率输入:通用100-240VAC 单相 最大电流0.48A 50-60Hz ,Dc 输出5V。
*背板:设计有便携提手可供使用者进行搬离换位。
选配件:
目镜:WF16X,≥ф13
物镜:无限远平场消色差物镜20X,数值孔径≥0.40,工作距离≥8.8mm;
无限远平场消色差物镜60X(s),数值孔径≥0.85,工作距离≥0.25mm;
四、仪器细节详情图:
●观察头
配备三目观察头,观察头通常可以拆卸和更换,适应不同的观察需求。这种灵活性使得用户可以根据具体的应用场景选择合适的观察头。可配备成像系统搭配使用。

●高眼点大视场目镜
瞳间距可调节范围在46-75mm之间,确保每位用户可以根据自身条件进行精确设置。高眼点设计的目镜双目视度可调,使双目观察更加容易,为用户提供更为舒适的使用体验。

●无穷远平场消色差物镜、转换器
该系列物镜采用新颖的设计方式和理念,具有更宽的视野,能够让图像的色彩还原性更加真实,具有外形美观、操作方便等特点,符合人机工程学要求,使得操作更加舒适和方便。
内向式4孔转换器,极大地提高了显微镜物镜使用的灵活性,操作简便快捷。减少了因频繁更换物镜而导致的误差,提高了观察的稳定性。能够提供清晰的图像,适合进行高精度的观察和实验。

●双层机械载物台
稳固地支撑和固定样品,确保在观察过程中样品的位置和形态的稳定。配备刻度标尺,方便给标本定位和测量,提高了实验的准确性和效率。具有防腐、耐磨的特点。

●阿贝聚光镜
阿贝聚光镜具备出色的聚光性能,能有效汇聚光线。它结构简单且透光率高,适合显微镜的明场观察。高数值孔径特性使其能够提供更高的分辨率和更深的焦深,适用于需要高精度观察的场合。配备可变光栏和,这为用户提供了更多的观察和实验选项。

●照明系统
显微镜专用一体化LED光源,采用高亮度LED灯珠,能够提供足够的照明强度,确保样本的细节清晰可见。能够提供均匀的光照,减少阴影和亮度不均的问题,从而提升观察的准确性和细节表现。且LED灯更加环保,符合现代实验室对环保的要求。

●调焦手轮
粗微调同轴,在载物台操作手轮的两侧设有微调焦机构,用于精确调焦。使得用户在观察过程中可以轻松地在粗调和微调之间切换,提高工作效率。同轴设计使得操作更加直观和方便,用户可以更容易地掌握调焦的力度和方向,减少了操作时的疲劳感。

●后背储物
该功能可以有效地存放和保护电源线免受外界因素的损害。这不仅可以延长电缆的使用寿命,还能确保设备的安全稳定运行。能够有效减少线缆的纠缠和损坏,从而避免了不必要的维修和更换成本。

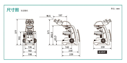
五、产品系统尺寸图:


六、产品技术规格:
目镜 | 高眼点大视场目镜WF10X/22mm;屈光度可调节±5,镜筒Φ30mm |
无穷远平场消色差物镜 | 4X,数值口径:0.10,工作距离19.8mm |
10X,数值口径:0.25,工作距离5.0mm | |
40X(s),数值口径:0.65,工作距离0.66mm | |
100X(s.oil),数值口径:1.25,工作距离0.36mm | |
转换器 | 内向式4孔转换器 |
观察头 | 铰链式三目30度倾斜 |
载物台 | 双层机械活动平台尺寸220X148mm,移动范围 75X55mm |
调焦机构 | 粗微同轴调,调焦范围 30mm,微调格值0.002mm |
聚光镜 | NA=1.25阿贝聚光镜带可变光栏 |
照明系统 | 3W LED柯勒照明,亮度可调 |
可选配件 | 目镜:WF16X,≥φ13 |
无限远平场消色差物镜20X,数值孔径≥0.40,工作距离≥8.8mm; | |
无限远平场消色差物镜60X(s),数值孔径≥0.85,工作距离≥0.25mm; |
上海缔伦光学仪器有限公司
销售部:057582969557
售前售后:17621222474
云贵地区:肖经理13564000623
河南地区:郑经理17638888760
山东、北京地区:罗宇琴15802132034
湖南、湖北:郑经理18516011121
国内网址: www.shdlgx.com
邮 箱:teelen@sina.cn
